مهدی شفیعی – حسن کیانی
کارشناس برق فشار قوی شرکت کویر تایر - Mahdi_shafeie@yahoo.com
تکنسین برق فشار قوی شرکت آینده اندیش نگر – kiyanihassan26@gmail.com
چکيده:
واژه نگهداري به كاري اطلاق مي شود كه براي حفظ موتور در شرايط كاري طبيعي انجام ميگيرد، نظير برر سي تنظيمات، روانكاري، تعويض روغن، تعويض فيلتر و … كه طي يك برنامه منظم نه فقط براي اطمينان از كاركرد رضايت بخش موتور ، بلكه براي پيشگيري از هر گونه خسارت پر هزينه اطلاق مي گردد. آشنایی با قسمت های مختلف سیستم روغن کاری دستگاه ژنراتور برق به دلیل نقش اساسی آن در بهبود عملکرد دستگاه ژنراتور برق و کاهش استهلاک آن از سوی دیگر از موارد کلیدی بوده که شناسایی آن جهت کاربران دستگاه دیزل ژنراتور برق یک نیاز اساسی می باشد. روغن قطعات متحرک را روغنکاری می کند تا کمتر ساییده شوند. خلاصی بین قطعات متحرک (مثلاً یاتاقان ها و محورها) با روغن پر می شود. قطعات روی لایه ای از روغن حرکت می کنند که با گردش در موتورگرمای آن را جذب می کند ؛ روغن داغ به سینی کارتر باز می گردد و گرمای خود را پس می دهد . مقداری از این گرما از طریق جداره سینی کارتر، در هوای اطراف دفع می شود. موتور دارای روغن پاش هایی می باشد که روغن را به زیر پیستون ها بپاشند. بدین ترتیب گرمای کف پیستون ها کاهش می یابد و پیستون ها خنک تر کار می کنند. در موتور، روغن به صورت عامل خنک کننده عمل می کند. روغن، خلاصی بین یاتاقان ها و یاتاقان گردهای چرخان را پر می کند. وقتی بارهای سنگین به طور ناگهانی بر یاتاقان ها وارد می شود، روغن به ضربه گیری کمک می کند ، در نتیجه یاتاقان کمتر ساییده می شود. روغن به درزبندی رینگ های پیستون با جداره های سیلندر کمک می کند . علاوه بر روغنکاری پیستون و رینگ ها کمپرس رد کردن را نیز کاهش می دهد. همچنین روغن به صورت پاک کننده عمل می کند. یاتاقان ها و سایر اجزای موتور را می شوید و تمیز می کند. ذرات گرد وغبار را جذب می کند و آنها را به سینی کارتر می برد. ذرات درشت در ته سینی ته نشین می شوند. وقتی روغن دوباره به موتور فرستاده می شود از فیلتر روغن می گذرد و فیلتر روغن ذرات کوچک را از آن جدا می کند .
واژگان کلیدی: دیزل ژنراتور، روانکاری
1- مقدمه
دیزل ژنراتور را می توان از جمله اختراعات بسیار مهم و کاربردی در صنعت برق بشمار آورد که بوجود آورنده تحولات عظیمی در این صنعت بوده است. این دستگاه به عنوان یک تولید کننده برق نقش پر رنگی در صنایع مختلف ایفا می کند.
اگر بخواهیم به زبانی ساده تعریفی از دیزل ژنراتور، که با نام موتور برق نیز شناخته می شود داشته باشیم، می توانیم بگوییم منبعی برای تبدیل انرژی مکانیکی به الکتریکی است که عموماً به عنوان منبع تغذیه جایگزین، جهت تولید برق در موارد بحرانی و اضطراری کاربرد دارد.
دیزل ژنراتور بطور کلی متشکل از دو بخش اصلی شامل یک موتور دیزلی و ژنراتور (آلترناتور) می باشد.
در واقع موتور دیزلی به کار رفته در دیزل ژنراتور، حرکت چرخشی ایجاد کرده و ژنراتور این حرکت چرخشی را به برق تبدیل می کند.
این مجموعه از طریق احتراق سوخت دیزل که سوختی مایع است و با تبدیل انرژی مکانیکی به انرژی الکتریکی جهت تولید برق در مقیاس های گوناگون مورد استفاده قرار می گیرد.
سوخت مورد استفاده در موتورهای دیزلی گازوئیل بوده و نحوه عملکرد این نوع از موتورها متفاوت با موتورهای بنزینی و یا گازی می باشد. با عبور ولتاژ از سیم پیچ های روتور و ایجاد میدان مغناطیسی، روتور به چرخش درآمده و با حرکت روتور، میدان مغناطیسی بوجود آمده از سیم رسانای استاتور عبور نموده و تولید ولتاژ می کند.
2- کاربرد دیزل ژنراتور
ژنراتورها وسایلی مفید هستند که در هنگام قطع برق، انرژی الکتریکی را تأمین می کنند و از قطع فعالیت های روزانه یا اختلال در فعالیت های تجاری جلوگیری می کنند. دیزل ژنراتور ها در تنظیمات مختلف الکتریکی و فیزیکی برای استفاده در برنامه های مختلف موجود هستند. بر حسب کاربرد، کارخانجات سازنده مولدها، چهار نوع را پیشنهاد میدهند: اضطراری، پایه، دائم و چند منظوره
دیزل ژنراتورها عموما به منظور مولدهای اضطرای مورد استفاده قرار می گیرند. برای غلبه بر خرابی های انرژی، از آنجا که سیستم های الکتریکی قابل خراب شدن هستند، از ژنراتورها برای به حداقل رساندن این گسلها استفاده می شود. از این طریق ، تأمین مستمر انرژی برای تأمین نیازها تضمین می شود. امروزه تمام کارهایی که انجام می دهیم وابسته به صنعت برق و الکتریسیته است. زمانی که برق شهر بخاطر سوانح غیره منتظره قطع می شود هیچ کدام از لوازم برقی قابل استفاده نمی باشد. در واقع با قطع برق هیچ کاری نمیتوانیم انجام بدهیم. قطعی برق در کشور ما هیچ زمان مشخصی ندارد و ممکن است بخاطر سوانح غیره منتظره طبیعی مانند زلزله، سیل، طوفان، برف منجر به قطع دائم برق تا چند روز باشد.
در کارخانه کویر تایر نیز از 3 دیزل ژنراتور ساخت شرکت MAN مدلASL 2530 به منظور تامین برق اضطراری در زمان قطع برق شبکه سراسری استفاده می شود. در ادامه ضمن آشنایی با شرکت و و ویژگی های عمده این دیزل ها اصلاحات انجام شده بر این دیزل ها تشریح خواهد شد.
3- تاریخچه دیزل MAN
فعالیت کمپانی MAN در زمینه تولید موتورهای احتراق داخلی ، با طراحی و ساخت اولین موتور دیزل در سال 1905 شروع شده است که تا به امروز ادامه داشته و دارای سابقه فعالیت صد ساله در زمینه تحقیق ، توسعه و تولید مولدهای قدرت میباشد. امروزه این کمپانی شامل تعداد زیادی شرکتهای وابسته تولیدی و تحقیقاتی است که در صنایع گوناگونی نظیر نقلیه، دریایی ، کشاورزی ، ماشین آلات صنعتی و هوافضا فعالیت دارد. کارخانجات تولیدی این کمپانی نمایندگی های فراوان در سر تا سر دنیا از جمله در کشورهای آلمان ، اتریش ، استرالیا ، آفریقای جنوبی ، ترکیه و ایران جهت مونتاژ ، سرویس و خدمات محصولات موجود است ، که تحت لیسانس این سازنده میباشند. مان شرکت تابعه گروه فولکس واگن می باشد که در سال ۱۷۵۸ در شهر مونیخ کشور آلمان، توسط جیمز مان، پایه گذاری شده است. در حال حاضر ریهافن مدیر عامل اجرایی این شرکت می باشد. شرکت مان یک شرکت سهامی عام بوده که در صنعت خودرو سازی و صنایع سنگین فعالیت دارد. در سال ۱۸۶۹شرکت مان بر اساس حروف نام نوه جیمز مان به نام ادوارد دسبورو مان و فردریک مان بهED & F تغییر نام داد. در سالهای ۱۸۸۹ تا ۱۹۰۲ بخشی از فعالیت شرکت مربوط به پروژه مونو ریل و تجهیزات متعلق به آن شد. در اوایل سال ۱۹۰۴ شرکت مان کار روی موتور دیزل را آغاز کرد. این شرکت جزو اولین شرکتهایی بود که به موتورهای دیزل توجه جدی نشان داد تا جایی که در ۱۹۲۳میلادی کامیونهایی با مدیریت پاشش سوخت عرضه کرد. در سال ۱۹۷۱ میلادی، شرکت مان، سهام کامیون سازی بوزینگ را خریداری کرد. تصویر یک شیر که در نام تجاری مان وجود داشت به این دلیل بود که علامت تجاری بوزینگ یک شیر نر بوده است. گروه صنعتیMAN یکی از تولید کنندگان برتر خودروهای تجاری در جهان می باشد. همچنین این شرکت فعالیتهای گسترده ای در زمینه ساخت دیزل ژنراتورهای سیستم های رانش دریایی و نیروگاه های برق، در برنامه کاری گروه خود قرار داده است. از عمده محصولات این شرکت می توان به وسایل نقلیه تجاری (کامیون، اتوبوس و …)، موتورهای دیزلی، موتورهای خودرو و توربو ماشین ها اشاره کرد.
4- راه اندازی دیزل
در بعضی از موسسات و سازمانها مانند فرودگاه ها ، بیمارستان ها ، سینماها ، سیستمهای حساس کارخانه جات ، سایت های کامپیوتر و ... قطع برق برای چند لحظه کوتاه هم ممکن است لطمات جبران ناپذیر جانی و مالی وارد نماید. با توجه به نوع کاربرد از سه نوع راه انداز برای برق اضطراری استفاده می شود:
1) برق اضطراری با راه انداز اتومات : در این نوع نیروگاه پس از قطع برق یک دیزل ژنراتور استارت خورده و پس از رسیدن ولتاژ و فرکانس به مقدار نامی کلیدی برق تولیدی را به شبکه وصل می نماید. برای اینکه زمان راه اندازی در این نوع نیروگاه زیاد نشود لازم است که درجه حرارت روغن ، آب و وضعیت باطری در تمام زمانها کنترل گردد و به طور دوره ای دیزل استارت گردد . زمان خاموشی پس از قطع برق در این نوع نیروگاه بسته به نوع دیزل زنراتور به چندین ثانیه طول می کشد و مناسب برای روشنایی تاسیسات ، کوره های ذوب الکتریکی ، سینما و ...
2) برق اضطراری با راه انداز سریع : در این نوع دیزل ژنراتور در هنگام عادی یک چرخ دورا هم محور با ژنراتور توسط یک موتور در حال چرخش است و در هنگام قطع برق در فاصله قطع برق و استارت دیزل ، انرژی ذخیره شده در چرخ طیار انرژی مورد نیاز برای چرخاندن ژنراتور و انرژی سبکه را تامین میکند . در این نوع راه اندازه خاموشی در حد زمان قطع و وصل یک کلید است ( حداکثر 0.5 ثانیه )
3) برق اضطراری با راه انداز بدون تاخیر : در این نوع راه اندازی که کاربرد آن در بیمارستان ها و مراکز کامپیوتری می باشد ژنراتور دائما در مدار قرار دارد و در حالت عادی توسط یک موتور سنکرون میچرخد و مقداری انرژی نیز به شبکه میدهد . پس از قطع برق انرژی ذخیره شده در چرخ طیار انرژی مورد نیاز ژنراتور را تامین میکند . ولی چون قطع و وصل کلید در کار نیست وقفه ای در تولید الکتریسیته صورت نمیگیرد .
5- راه اندازی دیزل در کارخانه کویر تایر
به جهت راه اندازی این دیزل ها نیاز است اقداماتی قبل از استارت انجام گردد که مهمترین این اقدامات به شرح ذیل می باشد .
1- روغنکاری دستی به جهت روانکاری پیستون ها
اين روغن کاری از خوردگي و استهلاك ناخواسته جلوگيري ميكند و از رسوبات كربن درشيار رينگ ها و نيز از تشكيل لجن جلوگيري مي نمايد.
2 – استارت کمپسور هوای فشرده به جهت تامین فشار 30 بار
پس از هر بار استارت دیزل ژنراتور
3- چک کردن مخازن سوخت ، آب رادیاتور و آب بدنه
4- کنترل گاورنر به جهت تنظیم سرعت و فرکانس
5 – اطمینان از آزاد بودن اهرم دستی باز کردن مسیر 30 بار
6– چک کردن ولتاژ DC ( 24V ) فرمان های الکتریکی

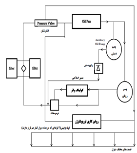
شکل 1: نقشه روغنکاری دیزل ژنراتور های MAN
6- روغن اتوماتیک زنی دیزل ژنراتور
روغنکاری اولیه دیزل ژنراتور های شرکت کویر تایر به وسیله پمپ دستی انجام می گردید، که پس از باز نمودن ولوو اقدام به روغنکاری به صورت دستی می شد تا فشار روغن به 0.5 بار برسد(شکل2). این اقدامات هنگام شرایط اضطراری قطع برق علاوه بر استرس و خسته نمودن اپراتور حداقل نزدیک به 5 دقیقه از زمان اپراتور را میگیرد. انجام این عمل در شرایط اضطراری قطع برق، عملی خسته کننده و وقت گیر میباشد.
به همین منظور پرسنل برق فشار قوی اقدام به اتومات کردن سیستم روغنکاری قبل از استارت دیزل ژنراتور ها کردند. از سیستم پنوماتیک برای اتومات نمودن روغن کاری استفاده گردید؛ به همین منظور از یک تحریک کننده چرخشی به جهت تلمبه ( جایگزین اهرم دستی ) ، یک سلونوئید ولوو تک بوبین برای فرمان باز کردن مسیر هوای 7 بار و یک تایمر برای تنظیم مدت زمان انجام روانکاری استفاده گردید .

شکل 2: سیستم روغنکاری دیزل ها به صورت دستی
با اجرای این سیستم و تنظیم روانکاری خودکار به صورت زمان دار، این اطمینان حاصل شده است که دیزل ژنراتورهای مربوطه در کلیه ساعات شبانه روز بدون انجام روانکاری دستی آماده استارت و بهره برداری می باشند.

شکل 2: سیستم روغنکاری دیزل ها به صورت اتومات
7- جمع بندی طرح
در روش روغنکاری به صورت دستی مدت زمان حداقل 5 دقیقه صرف روانکاری و حداکثر 5 دقیقه صرف اقدامات کلیدزنی برای برق رسانی میشد که با سیستم جدید زمان مرحله 1 راه اندازی دیزل ژنراتورها حذف شده است. در سیستم روغنکاری اتومات هر 4 ساعت به مدت 10 دقیقه روغنکاری انجام میگردد و دیزلها همیشه در حالت آماده به کار میباشند.
به عنوان یک تجربه عملیاتی، در آخرین قطع برق کارخانه پس از اجرای این سیستم (تاریخ 5/8/1399 ) ضمن حفظ آرامش اپراتور و بالا رفتن سرعت عمل، پس از انجام کلیدزنیهای مربوطه عمل برق رسانی به قسمت های مختلف زیر 5 دقیقه انجام گردید. لذا کاهش ضایعات، افزایش ضریب اطمینان بهرهبرداری و بهبود شرایط کار می توان از مزایای اجرای این طرح دانست.
8- منابع
[1] Operation Manual M.A.N Diesel
[3] http://mechanicyar.ir